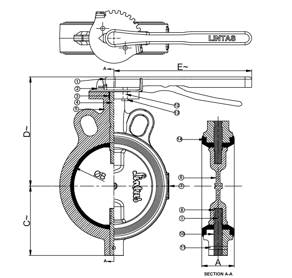
Features
- Complies with Design Standards IS 13095 and BS EN 593 (BS 5155).
- Wafer-style design.
- Lever-operated mechanism.
- Constructed from Cast Iron.
- Features a stainless steel disc (CF8/CF8M*) that is accurately guided between two stems.
- Equipped with an integrally moulded rubber lining (available in EPDM, Nitrile) to ensure a tight seal for the valve disc and to provide a primary seal at the stem and gasket joint, compatible with corresponding pipe flanges.
- Utilizes a two-piece stem design that is precisely guided by PTFE bushes.
- Designed for compatibility with flange standards such as BS 10 Tables D, E, F, H, DIN, PN 10, PN 16, PN 25, PN 40, ASA 150, ASA 300, IS 778, IS 6392 Table 17, and IS 1538.
*Valves with CF8M (S.S 316) Disc can also be provided at nominal extra cost.
PN 1.6 –
Test Pressure (Hydrostatic) :
Shell: 2.4 MPa
Seat: 1.76 MPa
Maximum Working Pressure: 1.6 MPa
Maximum Working Temperature: 90°C
Suitability
Water


